高斯摩直供 日本KYOWA共和 LCTD-A-300KN 薄型传感器
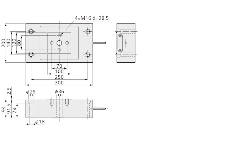
高斯摩直供 日本KYOWA共和 LCTD-A-300KN 薄型传感器 高斯摩直供 日本KYOWA共和 LCTD-A-300KN 薄型传感器 它是一种薄型负载传感器,可与固定的上下表面使用*,具有极佳的抗冲击和抗震性能。*需另购橡胶附件。额定容量:100~300千牛尺寸:260(宽)×74(长)×150(深)毫米~300(宽)×94(高)×200(深)毫米非线性率±RO在0.03%以内L
高斯摩直供 日本KYOWA共和 LCTD-A-300KN 薄型传感器 高斯摩直供 日本KYOWA共和 LCTD-A-300KN 薄型传感器 它是一种薄型负载传感器,可与固定的上下表面使用*,具有极佳的抗冲击和抗震性能。*需另购橡胶附件。额定容量:100~300千牛尺寸:260(宽)×74(长)×150(深)毫米~300(宽)×94(高)×200(深)毫米非线性率±RO在0.03%以内L
高斯摩直供 日本KYOWA共和 LCTD-A-300KN 薄型传感器
高斯摩直供 日本KYOWA共和 LCTD-A-300KN 薄型传感器
它是一种薄型负载传感器,可与固定的上下表面使用*,具有极佳的抗冲击和抗震性能。 *需另购橡胶附件。 额定容量:100~300千牛 尺寸:260(宽)×74(长)×150(深)毫米~300(宽)×94(高)×200(深)毫米 非线性率±RO在0.03%以内
LCTD-A

额定容量 | 300千牛 |
|---|---|
非线性 | ±RO在0.03%以内 |
滞后效应 | ±RO在0.03%以内 |
重复性 | RO含量0.02%或更低 |
额定功率 | 2 mV/V(4000×10–20126 张力)±0.2% |
允许温度范围 | -20~70°C |
|---|---|
温度补偿范围 | -10~60°C |
零点对温度的影响。 | ±在0.003% RO/°C以内 |
输出温度的影响 | ±在0.003%/°C以内 |
允许施加电压 | 20伏直流 |
|---|---|
推荐施加电压 | 1〜10伏直流电 |
输入电阻 | 350 Ω±1.5% |
输出电阻 | 350 Ω±1.5% |
电缆 | 0.3毫米,2,4芯屏蔽氯丁橡胶,直径10米,外径约7.6毫米,裸露尖端(屏蔽未连接于车身) |
允许的过载 | 150% |
|---|---|
限制横向载荷 | 50%(机械断裂时最大负载) |
质量 | 约33公斤(不含电缆) |
材料 | 特殊钢 |
单独出售 | 橡胶附件 RA01 |
|---|
