高斯摩直供 DT-10D表盘位移传感器 日本KYOWA共和
高斯摩直供 DT-10D表盘位移传感器 日本KYOWA共和高斯摩直供 DT-10D表盘位移传感器 日本KYOWA共和这是一种带有刻度刻度的位移传感器(换能器)。 它提供了长期稳定的测量数据。 该应用广泛应用于测量结构的相对位移、测量从固定点的绝对位移等。额定载重:10~50毫米非线性:RO在±0.5%测量力:约1.7~2.2牛顿额定输出:1.5 mV/V >DT-DDT-10D用于10毫米规
高斯摩直供 DT-10D表盘位移传感器 日本KYOWA共和高斯摩直供 DT-10D表盘位移传感器 日本KYOWA共和这是一种带有刻度刻度的位移传感器(换能器)。 它提供了长期稳定的测量数据。 该应用广泛应用于测量结构的相对位移、测量从固定点的绝对位移等。额定载重:10~50毫米非线性:RO在±0.5%测量力:约1.7~2.2牛顿额定输出:1.5 mV/V >DT-DDT-10D用于10毫米规
高斯摩直供 DT-10D表盘位移传感器 日本KYOWA共和
高斯摩直供 DT-10D表盘位移传感器 日本KYOWA共和
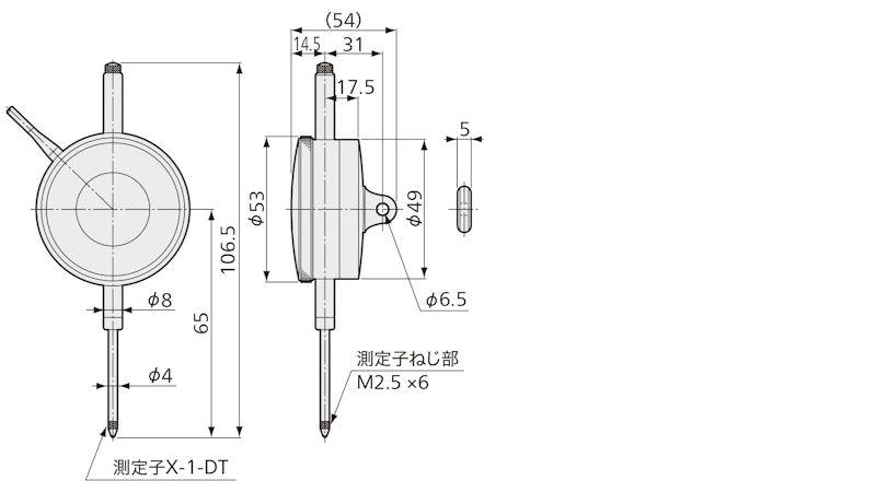
这是一种带有刻度刻度的位移传感器(换能器)。 它提供了长期稳定的测量数据。
该应用广泛应用于测量结构的相对位移、测量从固定点的绝对位移等。
额定载重:10~50毫米 非线性:RO在±0.5% 测量力:约1.7~2.2牛顿 额定输出:1.5 mV/V >
DT-D

额定容量 | 10毫米 |
|---|---|
非线性 | ±在0.5%的RO内 |
滞后效应 | ±在0.5%的RO内 |
重复性 | 0.3%的RO或更低 |
额定功率 | 1.5 mV/V(3000×10–6 张应)或更大 |
允许温度范围 | 0-55°C(非冷凝) |
|---|---|
温度补偿范围 | 0-50°C(非冷凝) |
零点对温度的影响。 | ±在0.03% RO/°C以内 |
输出温度的影响 | ±在0.03%/°C以内 |
允许施加电压 | 12 伏交流电或直流电 |
|---|---|
推荐施加电压 | 1至4伏交流或直流 |
输入电阻 | 350 Ω±2% |
输出电阻 | 350 Ω±2% |
电缆 | 0.08毫米,2,4芯屏蔽氯丁橡胶,5米,外径4毫米,尖端连接器插头PRC03-12A10-7M (盾牌与主体连接) |
允许的过载 | 100% |
|---|---|
响应频率范围 | 直流频率约为0.8 Hz |
测量力 | 约1.7 N |
质量 | 大约160克(不含钢索) |
单独出售 | 替代分析仪 X,XS,SH 基于磁石的MB-B |
|---|
